Sagi - Sagi Heimenhausen

Direkt zum Seiteninhalt

Hauptmenü:

Sagi

Arbeiten an und in der Sagi 
Die historische Technik
Die Anlage der Sägemühle Heimenhausen
Die Schrägbilddarstellung zeigt den Aufbau der „zusammengesetzten Maschine“.Auf das Wasserrad (Motor) und das zweistufige gemischte Räder- und Riemengetriebe (Transmission) folgt das Sägegatter (Arbeitsmaschine). Die Blockwinde wird über einen Hilfsantrieb betätigt.Nicht dargestellt sind der direkt durch die Wasserradwelle angetriebene Fliehkraftregler und der über due Transmission zweistufig angetriebene 120V-Genarator.
Die einzelnen Teile der Anlage werden auf den folgenden Seiten detailliert dargestellt.

Das Säge-Gebäude
Das Gebäude der Säge zeigt die typische Trennung in unteren Gatterkeller und
obere Sägehalle. Diese ist mit 24 Metern Länge ausgesprochen gross, was die
Verarbeitung langer Blöcke ermöglicht. Der Wagen hat von der Wasser- und
Bedienseite her gesehen Linksvorschub.

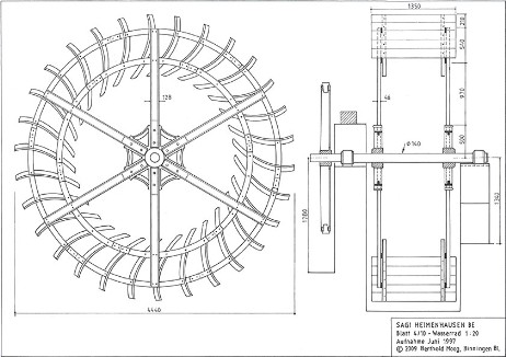
Das Zuppinger-Wasserrad
Walter Zuppinger wurde 1814 in Männedorf Zürich geboren. Bei der Maschinenfabrik Escher, Wyss & Co. stieg er in leitende Stellung auf. Das nach ihm benannte Wasserrad entwarf Zuppinger, aufbauend auf Vorgängern von Poncelet und Sagebien, während er zwischen 1838 und 1844 (Patent 1849) für Escher-Wyss an der Entwicklung neuartiger Wasserturbinen arbeitete. Das Zuppinger-Rad ist ein mittel- bis unterschlächtiges Kropfrad mit evolventenförmig gekrümmten Schaufeln, die nicht nur den hydrostatischen, sondern auch den dynamischen Druck des Wassers ausnutzen und dadurch einen höheren Wirkungsgrad erreichen. Die Leistung des Heimenhauser-Wasserrades errechnet sich bei einer Wassermenge von 400 l/s und einem Gefälle von 1.75m: Fallhöhe (m) x Wassermenge (m3/s) x 7 = Leistung (kW) zu 1.75 x 0.4 x 7 = 4.9 kW (ca. 7 PS)

Die Drehzahl-Regulierung
Eine Besonderheit ist der von Klaus Allemann nachträglich eingebaute Fliehkraftregler, der im Dach installiert wurde und so kaum beachtet wird. Der Antrieb erfolgt durch die Welle des Wasserrades. Die Bewegung der Kugeln regelt über einen Seilzug den Wasserdurchfluss so, dass die Drehzahl des Wasserrades von 10 Umdrehungen pro Minute möglichst unabhängig von der Last konstant bleibt. Ohne den Fliehkraftregler kann das Wehr zur Regulierung in 3 Stellungen fixiert werden.Der bereits aus dem Mühlenbau bekannte Fliehkraftregler wurde 1788 von James Watt in den allgemeinen Maschinenbau eingeführt, um die Arbeitsgeschwindigkeit der von ihm verbesserten Dampfmaschine konstant zu halten. Der Fliehkraftregler für diese Aufgabe war die Geburtsstunde der modernen, mathematischen Regelungstechnik. 

Die Transmission
Die Transmission ist das Getriebe zwischen dem langsamlaufenden Wasserad und dem Sägegatter. Die Sägemühle Heimenhausen hat 2 Übersetzungsstufen. Die erste Stufe wurde mit einem Zahnradgetriebe ausgeführt, die zweite mit Flachriemen. Dadurch werden die vom Gatter verursachten Stösse abgefedert. Auf derselben Transmissionswelle befindet sich noch der Hilfsantrieb für die Wagenrückführung sowie für die Generatoren.

Das Sägegatter
Das Einfachgatter mit dem zwischen den beiden Gatterriegeln eingespannten Sägeblatt ist ein sogenannter "Zweistelzer", bei dem die unten an den beiden Schwungrädern angebrachten Stelzen am oberen Gatterschenkel gelagert sind. Das Gatter gleitet an Führungsstangen am festen Gattergerüst.

 
 
Zurück zum Seiteninhalt | Zurück zum Hauptmenü